
【ADI】TMC2241: S/D制御 およびSPI通信を備えた 65V/2Arms ステッピングモータードライバ
概要
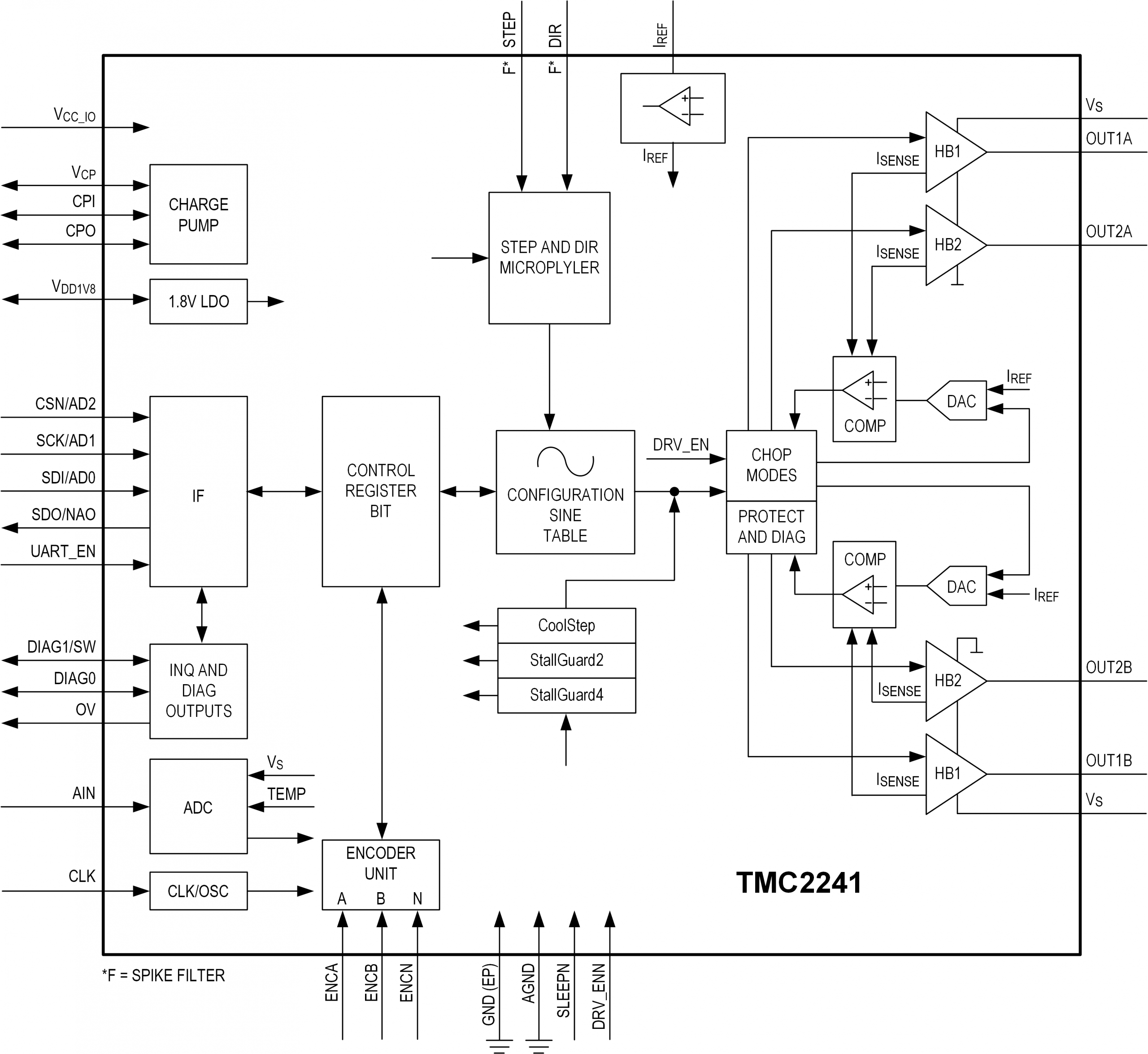
TMC2241は、静音性とパワーを両立した次世代ステッピングモータードライバーICです。最大65V、3.0Aピークに対応するHブリッジを2回路内蔵しております。
組み込みインデクサーにより、従来必要とされていた外部機器による複雑なステップシーケンスの制御が不要で、シンプルなSTEP/DIRインターフェースで複雑なモーター制御が可能です。超精密な位置決めや、滑らかで振動の少ないモーター動作が実現できます。
ADI-Trinamic独自のStealthChop2TMチョッパー技術により、高効率と最高のモータートルクを両立させ、究極の静音動作運転が可能になります。
![]() |
![]() |
![]() |
![]() |
アプリケーション
繊維、ミシン、編み機
自動工作機
IDプリンタ、カードプリンタ
医療用検体の自動ハンドリングシステム
オフィスオートメーション
マッサージチェア
ATM、現金回収機、紙幣識別機
セキュリティカメラ
ポンプとバルブ制御
ヘリオスタットやアンテナ等の位置決め
舞台照明
特長
電圧範囲
4.5V~65V DC
低Ron(HS + LS)
0.31Ω(25℃での標準値)
Hブリッジごとの電流定格(25℃での標準値)
VS = 24V時 2ARMS(2.8A正弦波ピーク)
VS = 48V時 1.7ARMS(2.4A正弦波ピーク)
全機能内蔵の無損失電流検出
MicroPlyer
STEP/DIR(S/D) 入力から自動でマイクロステップを生成
SPIと単線式UART
エンコーダインターフェース
フルステップあたり256マイクロステップの最高分解能
モーターに合わせた柔軟な波形テーブルと位相シフト制御
StealthChop2
静音モーター動作
SpreadCycle
サイクル・バイ・サイクル電流制御に基づく高度なチョッパーモード
StealthChop2とSpreadCycleのジャークフリーな組み合わせが可能
StallGuard2およびStallGuard4
センサーレスのモーター負荷検出
CoolStep
電流制御により最大75%のエネルギー損失を削減
パッシブブレーキとフリーホイールモード
モーターコイル温度の推定
チップ温度の測定
汎用アナログ入力
全てを網羅する保護および診断機能
過電圧保護用の出力ピン
5mm x 7mm TQFN38コンパクトパッケージ







